QY型充油式潛水電泵維護與保養和零件拆卸圖
時間:2014/2/20 來源:浙江揚子江泵業有限公司
QY型充油式潛水電泵產品簡介:
QY型充油式潛水電泵(簡稱潛水泵)是水泵和三相異步電動機合成一體的電力排灌設備。具有可靠的防水密封性能,體積小、重量輕、不需泵房,不需灌引水,使用維護和管理均為方便。
QY型充油式潛水電泵型號意義:

QY型充油式潛水電泵使用條件:
QY型充油式潛水電泵結構圖在下列使用條件下能連續正常工作:
1、工作介質為無腐蝕性的清水,介質中含砂量的體積比不超過0.10%,粒度不大于0.20mm。
2、介質溫度不超過40℃,介質的PH值在6.5-8.5之間。
3、潛水泵應在額定揚程附近的使用范圍內使用.并且完全浸入水中使用,潛水深度不宜超過3m,深不超過5m。
4、潛水泵離水底0.5m以上,但不可陷入泥中.否則會引起爆炸。
5、電源頻率為三相50Hz,電壓為380V,電壓波動范圍為額定值的0.9-1.1倍。
QY型充油式潛水電泵用途:
1、農田園林的排灌、井灌、噴灌;
2、井下提水,水塔送水;
3、排澇防汛;
4、船舶倉底排水;
5、城建、工礦給排水。
QY型充油式潛水電泵性能參數:
|
序號 |
型號 |
額定流量 |
額定揚程 |
配管 |
配用功率 |
轉速 |
額定電壓 |
|
m3/h |
m |
mm |
KW |
r/min |
V |
||
|
1 |
QY8.4-40-2.2 |
8.4 |
40 |
50 |
2.2 |
2860 |
380 |
|
2 |
QY15-26-2.2 |
15 |
26 |
50 |
|||
|
3 |
QY25-17-2.2 |
25 |
17 |
63 |
|||
|
4 |
QY40-12-2.2 |
40 |
12 |
76 |
|||
|
5 |
QY65-7-2.2 |
65 |
7 |
100 |
|||
|
6 |
QY100-4.5-2.2 |
100 |
4.5 |
150 |
|||
|
7 |
QY15-36-3 |
15 |
36 |
50 |
3 |
||
|
8 |
QY25-26-3 |
25 |
26 |
63 |
|||
|
9 |
QY40-16-3 |
40 |
16 |
76 |
|||
|
10 |
QY65-10-3 |
65 |
10 |
100 |
|||
|
11 |
QY100-6-3 |
100 |
6 |
150 |
|||
|
12 |
QY160-4-3 |
160 |
4 |
150 |
|||
|
13 |
QY260-3.5-4 |
260 |
3.5 |
200 |
4 |
||
|
14 |
QY200-4.5-4 |
200 |
4.5 |
150 |
|||
|
15 |
QY65-14-4 |
65 |
14 |
100 |
|||
|
16 |
QY40-21-4 |
40 |
21 |
76 |
|||
|
17 |
QY25-32-4 |
25 |
32 |
63 |
|||
|
18 |
QY25-38/2-4 |
25 |
38 |
63 |
|||
|
19 |
QY12.5-50-4 |
12.5 |
50 |
50 |
|||
|
20 |
QY12.5-72/4-4 |
12.5 |
72 |
50 |
|||
|
21 |
QY25-45/3-5.5 |
25 |
45 |
63 |
5.5 |
||
|
22 |
QY10-78/3-5.5 |
10 |
78 |
50 |
|||
|
23 |
QY200-8-5.5 |
200 |
8 |
150 |
|||
|
24 |
QY260-6-5.5 |
260 |
6 |
200 |
|||
|
25 |
QY65-18-5.5 |
65 |
18 |
100 |
|||
|
26 |
QY40-28-5.5 |
40 |
28 |
76 |
|||
|
27 |
QY25-40-5.5 |
25 |
40 |
63 |
|||
|
28 |
QY18-64/3-5.5 |
18 |
64 |
63 |
|||
|
29 |
QY65-28-7.5 |
65 |
28 |
100 |
7.5 |
||
|
30 |
QY40-38-7.5 |
40 |
38 |
76 |
|||
|
31 |
QY25-50-7.5 |
25 |
50 |
63 |
|||
|
32 |
QY200-10-7.5 |
200 |
10 |
150 |
|||
|
33 |
QY10-100/4-7.5 |
10 |
110 |
50 |
|||
|
34 |
QY260-8-7.5 |
260 |
8 |
200 |
|||
|
35 |
QY18-126/6-11 |
18 |
126 |
63 |
11 |
||
|
36 |
QY10-160/6-11 |
10 |
160 |
50 |
QY型充油式潛水電泵使用注意事項:
1、潛水泵的規格性能應符合實際使用情況,使用前應仔細核對。
2、潛水泵配用的出水管內徑應和電泵口徑相配。
3、電源容量應在5.5千伏安以上,三相,380伏,交流50赫芝。
4、潛水泵帶電或抽水工作時,不要在附近洗東西、游泳或工作, 不要讓牲口在附近下水,以防電泵萬一漏電,發生觸電傷亡事故。
5、潛水泵不得抽吸含砂量較大的水質或泥漿水。
6、潛水泵突然不轉,或水量突然顯著減少等不正常現象,須停機檢查,務必先行切斷電源,然后搬運拆裝。
7、電泵應配用電動機保護開關(本廠有配售》保護開關的動作電流已整定好,用戶不得自行改動。
8、任何時候都不允許用力提拉電泵的電纜。使用時全面檢查電纜, 發現破損立即換新方可使用。
9、電壓波動允許在342~418伏之間。如電泵使用地距電源較遠,應適當加粗導線截面積。
10、引出電纜中一根帶有接地標志的黃綠雙色芯線必須接地線,如無固定地線,可用2米金屬棒埋在河、湖岸邊,水溝旁或潮濕的土中作地線。
11、使用前應檢查上下蓋油孔螺釘有否松動漏油現象。出線盒上中間M8螺釘為本廠試壓專用,嚴禁用戶自行松動。
12、運轉前用500V兆歐表測量冷態下電機定子繞組對地的絕緣電阻, 低不得小于5MΩ,否則不可使用,應驅除潮氣后才能使用。
13、使用前應在陸地上空轉1min0,檢查電泵運轉是否正常,轉向是否正確。
14、電泵不得脫水運行。在電泵工作時要注意檢查水位下降,不得讓電泵露在水面運轉。電泵的潛水深度范圍是0.5至3米。
15、電泵不得陷入泥中,不得橫放,建議電泵外用竹籃或鐵絲籃來防止水草雜物堵塞水泵葉輪。
16、電泵開動后,如發現出水量很小或不出水時,說明電泵旋轉方向反了,應切斷電源,把三相芯線中的任意二相位置交換一下再開車。
結構簡介
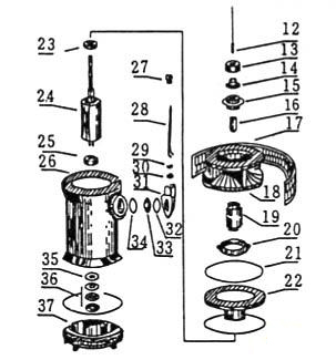
QY型潛水泵由水泵、電動機和密封三部分組成。
水泵部分:位于潛水泵上部,與電動機同軸,其葉輪形式有離心式混流式和軸流式三種。
電動機部分:電動機功率為2.2KW和3KW,為鼠籠型三相異步電動機,立式內充5號機械油。電機位于潛水泵下部。
密封部分:包括動密封和靜密封。動密封為整體式雙端面機械密封, 位于電機軸伸處,即裝在上蓋和進水節所形成的空腔內,腔內充以5號機械油。靜密封位于電泵各零件止口配合處,采用"O"形橡膠密封圈。
零件拆卸圖


1、潛水泵正常動轉2000小時左右,須更換端面機械密封^整體式密封盒。并同時更換新的油,5號或10號機械油和25號變壓器油或縫紉機油。
2、經過修理或更換整體式密封盒后,應作氣壓試驗,氣壓試驗用的接頭和小接頭可參照制造圖。試驗時將氣壓接頭的一端旋入上蓋加油螺孔內,另一端接上自行車的打氣筒。將小接頭的一端接在下蓋加油螺孔內,另一端套上橡皮管或塑料管,并通入盛有水的容器內,打氣時水中應該沒有氣泡冒出來;如果有氣泡冒出來,說明密封盒內的第二道密封漏氣了。第一道密封如果漏氣的話,則反映在電機軸處有漏氣現象, 可在該處滴幾滴機油來鑒別有無漏氣。
3、掉換整件密封可按下圖序號順次進行拆卸,裝配時可按拆卸過程來進行。在裝配時應注意保持清潔。
4、潛水泵不用時,不宜長期泡浸在水中,以免絕緣受潮,應把潛水泵吊起,放在干燥通風的室內。
5、電纜引線必須經常檢查,有否開裂現象,防止漏電,觸電事故, 電纜引線不宜過細過長,接頭處必須烀牢,并包扎好可靠的絕緣。
6、潛水泵的葉輪,整件密封盒,尼龍軸承座,不銹鋼軸套橡皎擴張件,護套、等一些易損另部件,以及各種"O"型橡膠封環,加油螺孔上的橡膠襯墊等可向當地農機部門聯系或向本廠銷售科函購。
7、潛水泵使用一年后應根據表面的腐蝕情況、重新涂漆、除銹處理。
8、如果當地沒有條件修理潛水泵則可同我廠聯系修理事宜。
- 下一篇:不銹鋼多級離心泵在冷凝水回收器中的作用
- 上一篇:氣動隔膜泵膜片損壞主要原因






